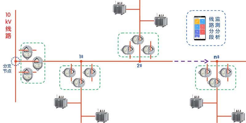
对于供电企业,10kV配电网络结构复杂、分支众多,由于人员、监测手段缺乏,使得线损治理成为难点。我司10kV线路分段监测系统,硬件采用LCT-GY2019高压专变监测终端(成套),依据线路实际情况,对各组件,自行组合并实施挂接,达到对线路某段、某分支负荷的监测、分析,实现快速定位问题点的目的。
系统挂装示意

功能特点
◆ 地理拓扑图,展示线路走向、分支节点及设备位置。
◆ 模拟电量定性比对算法。
◆ 电量、电流、线损数据趋势图展示。能快速定位高损分支。
◆ 具备4小时、1、3天时段,特征数据的提取及线损分析功能。
◆ 无线电流采样终端配置灵活,一台设备可监测多台变压器的用电数据。
管理系统界面展示

电能分析 损失率分析
高开区创业中心A座
邮箱
电话

首页
电话
产品